Basket: 0,00  0

Do dopravy zdarma zb�va 9999,- K�
0

Favourite items:

0
Menu

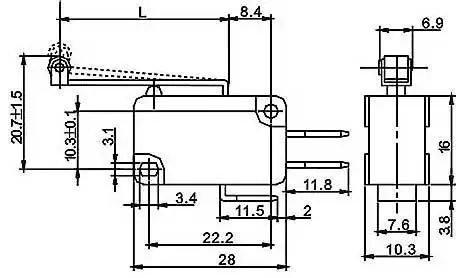
HADEX microswitch with lever MSW-03, ON-(ON) 1-pole 250V/10A

Code Kratochvíl: HDL400
Brand: HADEX
Producer number L400
EAN 8595118812215
Add to favourites
Price 0,48 
Slaný - central warehouse - On order
Nová Paka - branch - On order
Supplier - On order
Buy (pcs):
  • Features
  • EANs & additional codes
  • Related files

Features

Výrobce:
Manufacturer HADEX
Logistické informace:
EAN 8595118812215
Others
Item category Elektromateriál
Item subcategory Plugs, sockets,connectors

EANs & additional codes:

KOD HDL400 pcs 1 pcs
EAN 8595118812215 pcs 1 pcs

Recently viewed